Kompanzasyon iç tesisler kondansatör ve şönt reaktörler ile yapılır. Kondansatörler kapasitif karakterli, şönt reaktörler ise endüktif karakterleri elemanlardır. Bu elemanlar ile 3 çeşit kompanzasyon yapılmaktadır. Bunlar;

Bireysel (tek tek) kompanzasyon reaktif güç üreteçleri olan kondansatörlerin direk yük çıkışlarına bağlanması ile yapılır. Yük ve kondansatörler için ortak bir anahtarlama cihazı kullanılır. Böylelikle kondansatörler yükle birlikte devreye girip çıkarlar. Tek tek kompanzasyon oldukça etkin ve güvenilir bir sistem olmasının yanı sıra kompanzasyon çeşitlerinin en pahalısıdır. Ancak hat uzunluğu fazla olan alıcılarda, büyük yüklerde ve aydınlatma bu kompanzasyon çeşidi çoğunlukla tercih edilir.

Grup kompanzasyonu adından da anlaşılabileceği grup halinde anahtarlanan yüklerin kompanze edilmesinde kullanılan yöntemdir. Grup kompanzasyonda çoklu yükler bir yükmüş gibi düşünülerek yapılır. Grup kompanzasyonu çok işlevsel ve etkin bir kompanzasyon çeşidi olmadığı için pek kullanılmamaktadır.

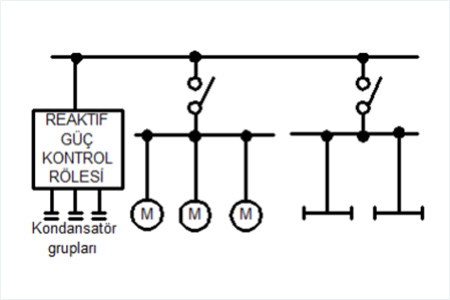
Bir işletme birbirinden farkı yüklerin bulunduğu ve bu yüklerin farklı zamanlarda devreye girip çıkması durumuna göre yapılan kompanzasyon çeşidine merkezi kompanzasyon denir. Merkezi kompanzasyon manuel ve otomatik kumandaya sahip panolardır. Merkezi Kompanzasyonun hesaplama ve projesi kolay olduğu için işletmelerde hızlı bir şekilde devreye alınabilmektedir. Merkezi kompanzasyon hesabının sağlıklı olabilmesi için işletmelerin yük durumlarının farklı zamanlarda ölçülmüş olması gerekir. Merkezi kompanzasyon şebekeye paralel bağlanan kondansatörlerden oluşur ve bu kondansatörler, 3-5-7 veya 2-4-6-8-12 gibi gruplara bölünür. Bu gruplar kompanzasyon panoları için önemli bir cihaz olan röleler vasıtasıyla devreye girip çıkmaktadır. Reaktif güç kontrol rölesi devreye alıp, çıkaracağı kondansatörler ile her zaman göç faktörünü 0.95-1 arasında tutmaya çalışır.
Kompanzasyon sistemleri elektrik enerjisi kalitesinin iyileştirilmesinde önemli rol alan bileşenler içerir. Enerji kalitesi gerilim ve akım dalgalanmaları, harmonikler, güç faktörü gibi etmenlere bağlıdır. Bu parametreler enerji kalitesini direkt etkiler. Bir tesiste harmoniklerin uluslararası standartların belirttiği değerlerin üstüne çıkması, elektrik enerjisini oluşturan parametrelerin sinüzoidal yapıdan uzaklaşması tesisteki enerjinin kirli olduğuna işaret etmektedir. Elektrik enerjilerinde enerji kalitesini bozan parametrelere sahip olan tesislerde ürün ve üretim değeri de doğrudan etkilenmektedir.
Kompanzasyon panolarında kullanılan malzemeler ve ekipmanlar yüklerin dengesiz olduğu ve enerji kalitesini olumsuz etkileyen parametrelerin varlığında tesislerdeki makinaların olası arızalarının önüne geçmek için özel olarak tasarlanır. Harmonik filtreli kompanzasyon panolarında, harmonik filtreleri, harmonikleri süzerek kompanzasyon panosundan alınan enerjinin daha kaliteli olmasını sağlar. Enerji kalitesini etkileyen bir diğer faktör olan güç faktörü de kompanzasyon panosu sayesinde olması gereken değeri getirilir. Kompanzasyon panosunun en temel amaçlarından olan güç faktörünün 1 olması koşulu sisteme paralel bağlanan kondansatörler ile sağlanmaktadır.
Her ay düzenli olarak Standart raporlamanın yanı sıra Gelişmiş Enerji raporlarınızı da alırsınız.
